CPKC Menomonee River Bridge (Wauwautosa)


Click the photo to view the full-size version

1/28
Date Taken:
Author:
Caption:

Name CPKC Menomonee River Bridge (Wauwautosa)
Chicago, Milwaukee & St. Paul Railway Bridge #B-22
Built By Chicago, Milwaukee & St. Paul Railway
Currently Owned By Canadian Pacific Kansas City Limited
Superstructure Contractor Pennsylvania Steel Company of Steelton, Pennsylvania (Outside Trusses)
Unknown (Inside Truss and South Track Floor)
Length 105 Feet Total
Width 2 Tracks
Height Above Ground 15 Feet (Estimated)
Superstructure Design Warren Pony Truss
Substructure Design Concrete
Date Built 1905, Widened 1909
Traffic Count 25 Train/Day (Estimated)
Current Status In Use
Chicago, Milwaukee & St. Paul Railway Bridge Number B-22
Significance Moderate Significance
Documentation Date 6/13/2014; 2/11/2023

In 1850, the Milwaukee & Mississippi Rail Road (M&M) began construction on a new railroad line, with the intention of connecting Lake Michigan at Milwaukee with the Mississippi River.  The first 12 miles between Milwaukee and Brookfield opened in 1851, and the line eventually continued west.  In Milwaukee, this line followed the south side of the Menomonee River.  In 1854, the Milwaukee and Watertown Railroad (M&W) began construction on a new line, leaving the original line at Brookfield, Wisconsin.  32 miles of new railroad were completed to Watertown, Wisconsin by 1855.  The M&W was acquired by the La Crosse and Milwaukee Railroad (LC&M) in 1856.  This railroad had previously constructed a more northerly route between Milwaukee and Portage, Wisconsin.  Between 1857 and 1858, the LC&M constructed 103 miles of new railroad, extending from Portage to the Mississippi River at La Crosse, Wisconsin.  The M&M was acquired by the Milwaukee and Prairie du Chien Railway (M&PdC) in 1861.  The western division of the LC&M, extending from Portage to La Crosse, was sold to the Milwaukee & St. Paul Railway (M&StP) in 1863.  In 1864, the M&StP constructed an additional 47 miles of railroad between Watertown and Portage, connecting the two lines.  In addition, a 7-mile "airline" would be constructed between Elm Grove and Milwaukee in 1864, allowing for a more direct route into Milwaukee.  In 1867, the M&PdC would be sold to the M&StP.  In 1874, the M&StP changed its name to the Chicago, Milwaukee & St. Paul Railway (Milwaukee Road).

The Milwaukee to La Crosse line became a critical backbone for the Milwaukee Road, serving as the middle section of a longer line between Chicago and Minneapolis/St. Paul.  This line also allowed for the construction of numerous branch lines, as well as the rapid expansion of the Milwaukee Road in the Midwest.  Between 1874 and 1876, a bridge across the Mississippi River was constructed at La Crosse.  A second track was constructed between Milwaukee and Brookfield during the early 1880s.  In 1902, 90 additional miles of second track would be constructed between Brookfield and Watertown, between Portage and Camp Douglas and between West Salem and La Crosse. An additional 47 miles of double track were constructed between Watertown and Portage in 1906, followed by an additional 44 miles of double track between Camp Douglas and West Salem in 1910.  The same year, the "airline" was also double tracked.  During the 20th Century, the Milwaukee Road had become a prominent railroad in the United States, operating an extensive network of railroad lines primarily in the Midwest. 

The Milwaukee Road was often in financial trouble, especially after the costly Pacific Extension was completed in 1909. In 1925, the company declared bankruptcy, and reorganized as the Chicago, Milwaukee, St. Paul and Pacific Railroad in 1928.  Despite the financial troubles of the railroad, this line remained a critical line and was well maintained.   Financial hardship continued through the 20th Century for the Milwaukee Road, and the railroad again filed bankruptcy in 1977.  By 1985, a suitor for the Milwaukee Road was being sought, and the Soo Line Railroad, controlled by Canadian Pacific Railway (CP) purchased the Milwaukee Road in 1986. Upgrades were made to the route, including the installation of CTC.  As a result, sections of the second track were removed, and the remaining sections became sidings.  The Elm Grove to Milwaukee airline was abandoned in the 1990s, and has since become the Hank Aaron Trail.  CP merged with Kansas City Southern Railway in 2023 to form CPKC. CPKC currently operates the Milwaukee to Portage segment as the Portage Subdivision, and the Watertown to La Crosse segment as the Tomah Subdivision.  The route remains well used, and hosts both freight and Amtrak trains.  


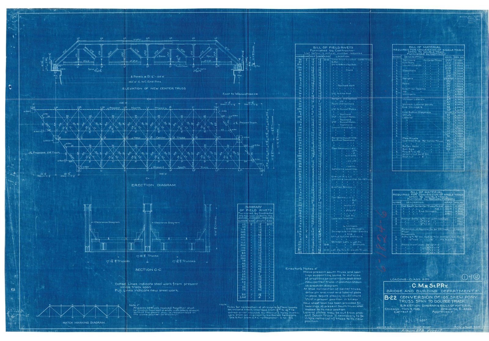
Located in Wauwautosa, this large Warren pony truss bridge carries the former Chicago, Milwaukee, St. Paul & Pacific Railroad (Milwaukee Road) mainline over the Menomonee River. The first bridge at this location was likely a timber pile trestle, constructed when the line was first built. It is likely that this bridge was replaced with a wooden truss bridge in the 1860s or 1870s. In 1885, the bridge was rebuilt with a 113-foot, 6-panel, pin-connected iron Pratt through truss bridge, set onto new stone abutments. This bridge contained light members and a lattice portal. By the early 20th Century, many of the iron bridges constructed on this line had become too light for traffic. In 1905, the bridge was replaced by a new pony truss bridge, set onto concrete abutments. Only four years later, the bridge was widened for a second track by adding an additional truss line to the center of the bridge and shifting the original south truss further south, giving the structure its present configuration. The through truss span was reused at Bridge #Q-96 across the Root River near Houston, Minnesota in 1905, and was scrapped in approximately 1980.

Currently, the bridge consists of a heavily constructed double track 105-foot, 8-panel, riveted Warren pony truss span, set onto concrete abutments. In addition, the bridge is set at a 37-degree skew. The truss span uses a heavy design, with large built-up and rolled members and a heavy floor system. Due to the widening of the bridge in 1909, the center truss uses a much heavier design than the outside trusses. The endposts of all three truss lines consist of built-up beams, with heavy X-lacing on the back and a solid plate on the front. The bottom chord also uses a built-up design, with V-lacing on both the top and bottom. The top chord uses a somewhat unusual design, with heavy X-lacing throughout the bottom and a combination of X-lacing and solid plates on the top. On the outside trusses, both the vertical members and diagonal members consist of solid rolled members. The inner truss is composed mainly of solid rolled members, except for the outermost diagonal members, which are constructed of V-laced built-up beams. All vertical members are connected to the floorbeams by rivets and triangular plates. The floor system is composed of heavy plate girder floorbeams at the panels, with two heavy plate girder stringers per track. The abutments use an unusual stepped design, which accommodates the heavy skew of the bridge. Pennsylvania Steel Company fabricated the outside trusses and floor system of the north track, while an unknown contractor fabricated the inside truss and floor system of the south track. Labor employed by the Milwaukee Road Bridge & Building Department constructed the concrete abutments.

Riveted Warren trusses became popular during the early 20th Century, as they were simple, strong and economical. A number of similar spans were constructed by the Milwaukee Road, but it appears that this bridge was designed specifically for this location, and was not a standard design. Since the initial construction, the bridge has seen no significant alterations, and remains in regular use. Overall, the bridge appears to be in fair to good condition, with no significant deterioration noted. During the August 2025 Milwaukee area floods, videos circulated on social media showing water over the top of this bridge and debris striking the structure. Fortunately, the bridge itself was not impacted, and reopened to traffic soon after. The author has ranked this bridge as being moderately significant, due to the common design.


Citations

Build dates Milwaukee Road Drawing Collection, located at the Milwaukee Road Archives at the Milwaukee Public Library
Builder (outside trusses) Pennsylvania Steel Company plaques
Railroad History Citation ICC Valuation Information, Compiled by Richard S. Steele

Loading...